Товар в корзине!

Вы не зарегистрировались на сайте.
Ваша корзина не сохранится после сессии.

Для постоянной работы с сайтом необходимо зарегистрироваться.

Тракбус
Запчасти к автобусам НЕФАЗ и ЛИАЗ
Качественные запчасти к автобусам НЕФАЗ и ЛИАЗ от надёжной компании!
Тракбус
Набережные Челны

Техническое описание электропневмопривода коробки передач

Подзаголовок сайта

 

Электропневмопривод обеспечивает дистанционное переключение передач в коробках передач моделей КамАЗ-14, КамАЗ-141, ЯМЗ-236.

ЭПП пригоден для эксплуатации при температуре окружающей среды от -40 °С до +40 °С.

Электрическое питание ЭПП осуществляется от бортовой сети автотранспортного средства (АТС):

  • номинальное напряжение — 24 В;
  • рабочее напряжение — 20...28 В.

Пневматическое питание ЭПП осуществляется от бортовой пневмосистемы АТС:

  • номинальное давление воздуха — 0,7 МПа (7 атм);
  • рабочее давление воздуха — 0,6...0,8 МПа (6...8 атм).

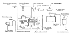
Структурная схема ЭПП приведена на Рисунке 323.

Рисунок 323 — Структурная схема электропневмопривода (ЭПП)

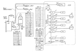
Схема электрическая соединений и подключений приведена на Рисунке 324.

Рисунок 324 — Схема электрическая соединений и подключений общая

Принцип работы ЭПП следующий (см. Рисунок 323): при нажатии на педаль сцепления водителем происходит выключение сцепления и воздух из пневмогидроусилителя (ПГУ) привода управления сцеплением поступает на датчик состояния сцепления (давления) Всц, контакты которого при этом размыкаются. Сигнал о размыкании контактов датчика Всц поступает на блок контроля (БК), о чем говорит загорание индикатора состояния сцепления. БК подает напряжение на концевые выключатели рычага управления коробкой передач (РУКП), которые в свою очередь подают напряжение на электропневмоклапаны (ЭПК) Y1...Y5. При соответствующих положениях РУКП (см. п. 3.2) ЭПК подают воздух в соответствующие пневмоцилиндры исполнительного механизма коробки передач, а также в пневмоцилиндр механизма блокировки (при включении 2, 3, 4 и 5 передач).

Воздух к ЭПК поступает от бортовой сети АТС через кран разобщительный, фильтр магистральный и редукционный клапан. Информация о состоянии включенных передач поступает от датчиков B1, В3 и В4 на индикаторы БК (см. п. 3.3). При отпускании педали сцепления (включении сцепления) контакты датчика Всц замыкаются, и БК снимает напряжение с РУКП и соответственно с ЭПК. В резервном режиме, когда жгут соединительный подключается напрямую к разъему РУКП (см. п. 5.2), сигналы от датчика Всц идут через реле резервного режима. В основном режиме (см. п. 5.1) реле не работает.

Исполнительный механизм коробки передач

Исполнительный механизм коробки передач (ИМКП) (см. Рисунок 325) предназначен для включения пяти передач для движения вперед, передачи заднего хода (R) и нейтрали.

Рычаг управления коробкой передач

Рычаг управления коробкой передач (РУКП) (см. Рисунок 329) предназначен для формирования команд на включение передач в коробке передач и имеет положение нейтрали и 6 фиксированных положений включенной передачи.

Блок контроля

Блок контроля (БК) (см. Рисунок 331) предназначен для обработки сигналов от выключателей РУКП и вывода информации водителю о состояниях коробки передач и сцепления.

Датчик состояния сцепления

Датчик состояния сцепления (см. Рисунок 335) предназначен для определения состояния сцепления.


Рисунок 335 — Установка датчика состояния сцепления
1 — пневмогидроусилитель; 2 — коробка передач; 3 — датчик давления; 4 — кронштейн крепления датчика давления; 5 — трубка датчика давления; 6 — штуцер

В качестве чувствительного элемента датчика состояния сцепления используется датчик-реле давления 3 (ММ-128), контакты которого размыкаются при увеличении давления воздуха в полости А пневмогидроусилителя сцепления до 0,25...0,3 МПа (2,5...3 атм).

Датчик давления 3 устанавливается на крышку коробки передач 2 на кронштейне 4 и соединяется трубкой с полостью А пневмогидроусилителя.

Обрыв провода или плохой контакт крепления провода к датчику приводит к тому, что постоянно горит индикатор 2 (см. Рисунок 331) и концевые выключатели РУКП и соответствующие ЭПК (в зависимости от положения рукоятки РУКП) находятся постоянно под напряжением, даже если сцепление не разомкнуто (не нажата педаль сцепления). Это может привести к выходу из строя блока контроля или включению передач сразу после перемещения рукоятки РУКП без нажатия на педаль сцепления!

Механизм блокировки

Механизм блокировки (МБ) (см. Рисунок 336) предназначен для предотвращения случайного включения передачи заднего хода при возникновении каких-либо отказов ЭПП.

Рисунок 336 — Механизм блокировки
1 — пневмошланг; 2 — цилиндр пневматический; 3 — переходник; 4 — прокладка; 5 — штуцер ввертный; Б — предохранитель; В — толкатель

Механизм блокировки представляет собой пневмоцилиндр 2, установленный вместо штатного предохранителя включения передачи заднего хода коробки передач.

Работой пневмоцилиндра управляет ЭПК 5 (см. Рисунок 325) по сигналам, поступающим от блока контроля (в основном режиме) или непосредственно от выключателя РУКП (в резервном режиме).

При подаче воздуха от ЭПК 5 (см. Рисунок 325) при включении всех передач, кроме 1 передачи и передачи заднего хода, шток пневмоцилиндра 2 толкает предохранитель Б, который в свою очередь блокирует толкатель В и вместе с ним и шток включения 1 передачи и передачи заднего хода. При перемещении водителем рукоятки РУКП в положение включения 1 передачи и передачи заднего хода напряжение с ЭПК 5 снимается, давление воздуха в пневмоцилиндре 2 отсутствует и рычаг ИМКП свободно перемещается в паз штока включения 1 передачи и передачи заднего хода коробки передач.

Блок клапанов и соединителей в сборе с элементами подвода воздуха

Блок клапанов и соединителей (БКС) (см. Рисунок 325 и Рисунок 337) предназначен для управления подачей воздуха в пневмоцилиндры ИМКП и механизма блокировки по командам РУКП и для защиты электрических разъемов от воздействия внешней среды, а элементы подвода воздуха обеспечивают подключение к бортовой пневмосистеме АТС и подготовку воздуха (очистку и понижение давления) для подачи в пневмоцилиндры.