Подзаголовок сайта
Примечание. Нормальная работа предпускового подогревателя определяется по равномерному гулу горения в теплообменнике и выходу отработавших газов без дыма и открытого пламени.
Обслуживание жидкостного подогревателя следует выполнять перед началом отопительного сезона. При этом необходимо выполнить следующие операции:
- отсоединить подогреватель от бортовой сети электропитания;
- очистить подогреватель от наружной грязи и пыли;
- снять блок управления путем вывода его из паза на кожухе;
- снять горелку, для чего отвинтить две гайки на откидных винтах и вытащить ось поворота горелки;
- извлечь жаровую трубу камеры горения, очистить ее от нагара и копоти, промыть чистой теплой водой или керосином. Особенно тщательно следует прочистить и промыть завихритель, так как наличие нагара и копоти на завихрителе и его отверстиях снижает подачу воздуха в камеру сгорания и теплопроизводительность подогревателя;
- удалить нагар и сажу внутри теплообменника металлической щеткой и промыть теплой водой и керосином. Наличие нагара и сажи на ребрах внутренней трубы снижает теплопередачу;
- промыть теплообменник (одновременно с промывкой всей системы отопления автобуса);
- снять с электродов провода источника напряжения;
- отвинтив болт 2 (см. Рисунок 94 — Установка электродов зажигания по шаблону), снять электроды зажигания, осмотреть их. При наличии нагара аккуратно очистить их тряпкой, смоченной в керосине;
- снять диск с индикатором пламени, очистить их от нагара. Проверить тестером работоспособность индикатора пламени, при необходимости заменить;
- отвинтить форсунку, промыть ее в ацетоне, продуть сжатым воздухом;
- отсоединить от топливного насоса два топливопровода (подачи и слива), промыть их дизельным топливом и продуть сжатым воздухом;
- отвернуть четыре винта на панели горелки, снять панель;
- отсоединить топливопровод, соединяющий топливный насос и корпус форсунки;
- промыть топливопровод и продуть его сжатым воздухом;
- снять корпус форсунки, промыть его и продуть сжатым воздухом;
- снять топливный насос. Прочистить, промыть керосином и продуть сжатым воздухом его сетчатый фильтр и топливные каналы насоса;
- проверить состояние зубчатой передачи;
- отвернув четыре винта, снять кожух горелки, проверить легкость вращения вала электродвигателя вентилятора (проворачивая его за кулачковую муфту рукой). Проверить состояние щеток, при необходимости их следует заменить.

Рисунок 94 —
Установка электродов зажигания по шаблону
1 — электроды зажигания; 2 — болт
крепления электродов; 3 — скоба; 4 — шаблон
Сборку подогревателя следует производить в последовательности, обратной разборке. Установку электродов зажигания необходимо производить, как показано на рисунке — Установка электродов зажигания по шаблону. Затягивать форсунку следует крутящим моментом 12-15 Н.м (1,2-1,5 кгс.м).
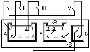
Собранный подогреватель необходимо проверить на работоспособность с помощью специального переносного пульта (см. Рисунок 95 — Монтажная схема переносного пульта для проверки жидкостного подогревателя).

Рисунок 95 —
Монтажная схема переносного пульта для проверки жидкостного подогревателя
А,
Б, В — соединительные колодки; 1-8 — номера контактов; I-IV — выключатели,
соответственно, электромагнитного клапана, высокого напряжения, электродвигателя
вентилятора и циркуляционного насоса
Проверку работоспособности каждой из систем горелки подогревателя необходимо выполнять после сборки горелки в цехе обслуживания, при этом проверяется работа электромагнитного клапана, искры зажигания и электродвигателя вентилятора.
После установки горелки подогревателя на автобус следует снова проверить работу систем подогревателя. На автобусе с помощью пульта проверяется качество распыла топлива форсункой и работа циркуляционного насоса, а также выполняется поиск неисправностей жидкостного подогревателя и циркуляционного насоса.
Внимание. Независимо от пробега автобуса и времени года, через каждый месяц подогреватель следует включать на 30 мин.
Обслуживание циркуляционного насоса
Для обеспечения надежной и безотказной работы циркуляционного насоса в период отопительного сезона необходимо содержать его в чистоте и выполнять правила технического обслуживания. По истечении гарантийного срока и в дальнейшем перед началом отопительного сезона (осенью), циркуляционный насос подлежит разборке.
Для разборки насоса необходимо сделать следующее:
- отвернуть винты 18 (см. Рисунок 68 — Циркуляционный насос мод. 34.3730). Снять крышку 19 насоса;
- отвернуть две гайки 20 и снять крыльчатку и корпус насоса вместе с деталями торцового уплотнения;
- оценить состояние контактных торцевых поверхностей стальной втулки и фибры. При наличии рисок или кольцевых канавок детали притереть на мелкой наждачной бумаге;
- снять штекерную колодку;
- отвинтить гайку 3, снять шайбу 4 и уплотнительную втулку 5;
- вывинтить три винта 7, снять крышку 6 и корпус 8 электродвигателя;
- поднять щетки и вынуть из крышки со стороны коллектора якорь 9 и пружинную шайбу 26;
- проверить состояние щеточного узла (см. Рисунок 96 — Поперечный разрез двигателя циркуляционного насоса).

Рисунок 96 —
Поперечный разрез двигателя циркуляционного насоса
1 — штифт; 2, 5 — винты; 3
— траверса; 4 — щетка
Осмотреть щетки и коллектор, убедиться, что щетки свободно перемещаются в щеткодержателях и хорошо прилегают к коллектору;
- проверить высоту щеток, изношенные до 9 мм щетки заменить;
- проверить состояние рабочей поверхности коллектора, она не должна иметь подгара и загрязнения;
- продуть электродвигатель сухим сжатым воздухом перед сборкой;
- отвинтить на крышке со стороны коллектора два винта 2 и снять траверсу 3;
- отвинтить два винта на щеткодержателях и снять щетки 4. Смазывание
шарикоподшипников насоса при техническом обслуживании не выполняется. В насосе
применены закрытые шарикоподшипники, в которых смазка заложена на
заводе-изготовителе и смена смазки у них не производится. Сборку
циркуляционного насоса следует выполнять в порядке, обратном разборке. При
этом дополнительно необходимо учесть следующее:
при установке крышки 6 (см. Рисунок 68 — Циркуляционный насос мод. 34.3730) со стороны коллектора на корпус провод вывода 25, соединяющий обмотку возбуждения со щеткодержателем, прижать к корпусу. Не допускать касание провода вывода с якорем; - перед установкой уплотнительной втулки необходимо вынуть выводы 2;
- заменить и смазать смазкой ЦИАТИМ уплотнительные кольца 12, 15 и 21;
- при установке пружины 16 она должна входить одним концом в паз втулки 14, а другим — в паз крыльчатки.
После сборки проверить работоспособность циркуляционного насоса на стенде.
Предупреждение. Запрещается включать циркуляционный насос при отсутствии охлаждающей жидкости в системе. Перед вводом в эксплуатацию подогревателя или после замены жидкости следует удалить воздух из системы охлаждения двигателя.
Разборка, сборка и проверка подогревателя и циркуляционного насоса должны проводиться квалифицированными специалистами в мастерской, располагающей необходимыми инструментами и оборудованием.
Проверить работоспособность ЭФУ.
Осенью слить летнее топливо из топливных трубок ЭФУ. Очистить электроды свечей ЭФУ. Проверить работоспособность ЭФУ.
Работу ЭФУ следует проверять при исправных и заряженных аккумуляторных батареях в следующем порядке:
- проверить исправность сигнализатора ЭФУ на щитке панели приборов (нажатием кнопки контроля);
- включить ЭФУ и определить время момента включения ЭФУ до загорания сигнализатора. Для первого включения ЭФУ оно должно составлять при температуре окружающего воздуха выше нуля (50-70) секунд, а при температуре ниже нуля — (70-110) секунд. При повторном включении ЭФУ время загорания сигнализатора сокращается, поэтому для получения достоверного значения необходимо дать остыть термореле до температуры окружающего воздуха;
- проверить наличие пламени факела во впускных коллекторах.
Для проверки факела необходимо:
- вывернуть свечи из коллекторов, подсоединить к ним топливные трубки и электропровода;
- обеспечить надежное соединение корпусов свечей с массой и убедиться, что вывод изолирован от массы;
- включить ЭФУ и после загорания сигнализатора с помощью стартера провернуть коленчатый вал. При отсутствии пламени заменить неисправную свечу.
Проверить на стенде генераторную установку и стартер (Ремонт генераторной установки и стартера приведены в разделе «Электрооборудование»), устранить неисправности и провести техническое обслуживание.





