Подзаголовок сайта
Жидкостной подогреватель предназначен для предпускового разогрева и поддержания теплового состояния двигателя, а также для эффективного отопления кабины и салона автобуса Нефаз, в том числе и на стоянке при неработающем двигателе.
Требования безопасности
- При пользовании подогревателем следует помнить, что нарушение правил эксплуатации подогревателя или его неисправности могут послужить причиной пожара.
- Использование подогревателя при незаполненной системе охлаждения двигателя категорически запрещается.
- Запрещается включение подогревателя без топлива.
- Запрещается выключение подогревателя до окончания цикла продувки разрывом цепи электродвигателя вентилятора.
- При работающем подогревателе запрещается открывать горелку.
- Открывание горелки допускается только после отключения электропитания
подогревателя и окончания цикла продувки, о чем свидетельствует остановка
электродвигателей насоса и вентилятора.
При закрывании горелки необходимо надежно затянуть гайки на откидных болтах. - При частой езде по загрязненным дорогам необходимо регулярно прочищать патрубки поступления воздуха для горения и для выхода отработавших газов. В летнее время систему воздухозабора желательно закрыть.
- В местах заправки шасси (автобуса) топливом подогреватель должен быть отключен.
- При выполнении электросварочных работ на шасси (автобусе) необходимо разъединить шестиштекерную колодку на блоке управления подогревателя (для защиты электронного блока управления).
- «Минус» электропитания подогревателя должен непосредственно соединяться с минусовым выводом аккумуляторной батареи, но не через выключатель «массы».
- Запрещается эксплуатация подогревателя с неисправностями, вызывающими пожарную опасность.
- Автобус, оборудованный подогревателем, должен иметь огнетушитель.
- Запрещается работа подогревателя в закрытых невентилируемых помещениях.
- После окончания работы закрыть топливный кран.
- При длительном хранении шасси (автобуса) нужно обесточить цепь питания подогревателя, вынув из предохранителей ПР 119Б-01 и 14.3722 плавкие вставки (10 А и 25 А) в аккумуляторном отсеке.
Управление подогревателем
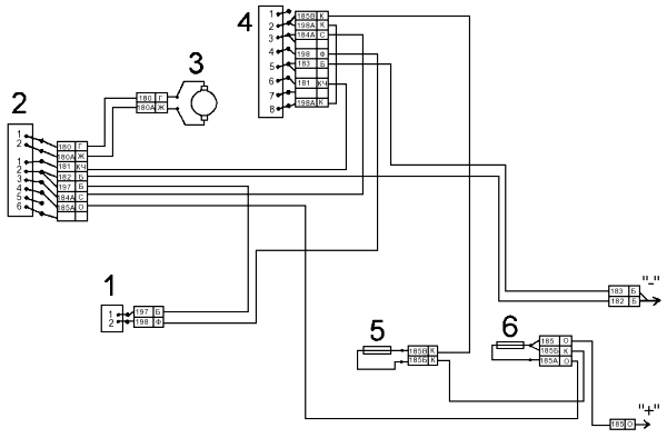
Электрическая схема управления подогревателем показана на одноименном рисунке.

Рисунок 16 —
Электрическая схема управления подогревателем
1 — нагреватель форсунки; 2 —
блок управления; 3 — электродвигатель насоса; 4 — таймер; 5, 6 — предохранители
на 10 А; «+» и «-» — выводы к АКБ
Термопредохранитель отключает подогреватель при достижении максимально допустимой температуры охлаждающей жидкости 103 ± 5 °С (при выходе из строя датчика температуры, отсутствия охлаждающей жидкости в системе и т. д.).
Датчик температуры, установленный на теплообменнике, контролирует и регулирует температуру жидкости в системе охлаждения и салоне автобуса. Для включения в заданное время без водителя или для немедленного запуска подогревателя применяются электронные «Таймер-часы».
На лицевой панели таймер-часов расположены:
- органы управления таймера — кнопки «Сброс», «Подогрев», «Таймер», «Минуты», «Часы», «Индикация»;
- цифровое табло;
- индикаторы «Подогрев» (зеленый), «Таймер» (красный);
- индикатор «Нагрев форсунки» — красная точка в правом нижнем углу цифрового табло.
Порядок работы таймер-часов
После подключения таймер-часов к бортовой сети шасси загорается цифровое табло и начинается ход часов, который индуцируется мигающей точкой, расположенной в нижней части табло между разрядами часов и минут.
На цифровом табло таймер-часов с помощью кнопок «Часы» и «Минуты» устанавливаются:
- текущее время (кнопка «Индикация» в положении «Отсчет», т. е. нажата);
- время включения подогревателя (кнопка «Индикация» в положении «Интервал», т. е. нажата).
Пуск таймера осуществляется нажатием кнопки «Таймер».
Таймер-часы в установленное на табло время включит на 95 ± 10 с нагреватель форсунки (для подогрева форсунки), а затем выдаст сигнал на включение подогревателя; время действия этого сигнала (т. е. работы подогревателя) составляет 64 ± 10 мин.
В таймер-часах предусмотрен режим немедленного включения подогревателя, осуществляемый нажатием кнопки «Подогрев» — при этом таймер включит нагреватель форсунки на 95 ± 10 с и выдаст сигнал на включение подогревателя. Время работы подогревателя в этом случае не ограничено. Выключение подогревателя, нагревателя форсунки и прекращение отсчета времени до включения подогревателя осуществляется нажатием кнопки «Сброс».
Работа индикаторов таймер-часов
Цифровое табло светится при нажатии на любую из кнопок «Минуты», «Часы» и «Индикация» и в течение 5-17 с после их отпускания. В остальное время индикация хода часов — в виде светящейся точки между индикаторами единиц часов и десятков минут. При напряжении бортовой сети шасси выше 27,2 В цифровое табло светится постоянно.
«Подогрев» — загорается в момент начала работы подогревателя и гаснет при выключении подогревателя;
«Нагрев форсунки» — загорается на время разогрева форсунки;
«Таймер» — начинает мигать при нажатии на кнопку «Таймер» (т. е. в момент пуска таймера): мигание индикатора означает, что таймер-часы ведет отсчет установленного на табло интервала времени до включения подогревателя. В момент выдачи таймер-часами сигнала на включение подогревателя индикатор перестает мигать — горит постоянно в течение всего времени работы подогревателя. При не срабатывании одного из индикаторов таймер-часов нажать кнопку «Сброс». Определить причину отказа.
Включение подогревателя
Включение подогревателя производится при помощи таймер-часов (на заранее установленное время или немедленно). Для автоматического включения в заданное время устанавливается время включения подогревателя (например, 7.00 ч) и нажимается кнопка «Таймер». При этом начинает мигать светодиод красного цвета. При совпадении текущего и заданного времени включается нагреватель форсунки и загорается светодиод в виде точки в правом нижнем углу цифрового табло. Через 95 ± 10 с нагреватель форсунки выключается и включается блок управления подогревателя. При этом светодиод красного цвета переходит в режим постоянного горения и загорится зеленый светодиод.
Если контакты датчика температуры замкнуты (т. е. если температура жидкости
ниже заданного предела плюс 70 ± 3 °С), включаются электродвигатели
циркуляционного насоса и вентилятора. Примерно через 20 с автоматически
включается
высоковольтный источник напряжения и топливный электромагнитный
клапан. Между электродами появляется искра, топливо воспламеняется, после чего
при устойчивом горении по сигналу индикатора пламени отключается высоковольтный
источник.
Горение будет продолжаться до тех пор, пока температура жидкости не достигнет заданного значения (порядка плюс 70 ± 3 °С), после чего контакты датчика разомкнутся, и топливный электромагнитный клапан обесточится, подача топлива и горение прекратятся.
В течение 150 с оба электродвигателя будут продолжать работать, по истечении этого времени электродвигатель вентилятора отключится, дальше будет работать только электродвигатель циркуляционного насоса.
При снижении температуры жидкости ниже заданного предела (плюс 70 ± 3 °С) контакты датчика замкнутся и произойдет розжиг подогревателя, как было описано выше.
Если в момент включения подогревателя контакты температурного датчика разомкнуты (температура жидкости выше заданного предела плюс 70 ± 3 °С), включится только электродвигатель насоса. Розжиг подогревателя произойдет при снижении температуры жидкости ниже заданного предела.
Режим работы (если розжиг не произошел или прекратилось горение)
В случае если при включении подогревателя, либо при замыкании контактов датчиков температуры в процессе регулирования температуры жидкости розжиг не произойдет (например, из-за отсутствия топлива или из-за разомкнутого состояния контактов термопредохранителя (на теплообменнике), то через 10 с после включения высоковольтного источника напряжения и клапана они автоматически выключатся, а через 150 с выключатся электродвигатели насоса и вентилятора (полное отключение подогревателя).
В случае срыва пламени включается на 10 с высоковольтный источник и если розжиг не произойдет, то подогреватель отключается в порядке, изложенном выше.
Для повторного включения подогревателя необходимо выключить его, нажав кнопку «Сброс», а затем снова включить нажатием кнопки «Подогрев» таймер-часов.
Выключение подогревателя
Для выключения подогревателя необходимо нажать на кнопку «Сброс» таймер-часов. При этом выключится топливный клапан (горение прекращается), а через 150 с выключатся электродвигатели насоса и вентилятора (полное отключение подогревателя). Закрыть топливный кран питания подогревателя.
Аварийные режимы
Если температура жидкости превысит 103 ± 5 °С, что возможно в случае отказа датчика температуры, разомкнутся контакты термопредохранителя. При этом отключается топливный клапан и горение прекращается. Необходимо определить и устранить причину дефекта и только после этого и остывания термопредохранителя до температуры примерно плюс 30 °С замкнуть его контакты нажатием на кнопку, расположенную на корпусе термопредохранителя, и снова включить подогреватель выключателем.
При включении подогревателя предусмотрены следующие блокировки его включения:
- напряжение питания в цепи ниже 18 В: включаются электродвигатели насоса и вентилятора, а через 150 с выключатся электродвигатели (розжига не произойдет);
- цепь электродвигателя насоса разомкнута: включится электродвигатель вентилятора и через 150 с электродвигатель вентилятора выключится (розжига не произойдет);
- разомкнуты контакты термопредохранителя (в цепи питания обмотки топливного клапана): включаются электродвигатели (в подогревателе нагнетателя воздуха и в циркуляционном насосе), через 20 с включится высоковольтный источник напряжения, но из-за отсутствия питания клапан не включится и розжиг не произойдет. После 10 с работы отключится высоковольтный источник.
При пользовании подогревателем следует учитывать, что при принудительном выключении подогревателя или при неудавшемся розжиге прекратится горение, однако, выключение электродвигателей насоса и вентилятора произойдет только через 150 с, что обеспечивает охлаждение горелки и завихрителя.
В течение этого времени нельзя пытаться обесточить подогреватель (например, разъединением колодки пучка проводов подогревателя, так как это приведет к возрастанию температуры внутри подогревателя, что может вызвать, в частности, обгорание электропроводов внутри подогревателя, отказ индикатора пламени и коробление завихрителя).
Внимание. Независимо от пробега и времени года через каждый месяц подогреватель следует включать на 30 минут.
Возможна установка подогревателя без таймер-часов с пультом управления. Включение подогревателя при этом осуществляется переключателем, расположенным на панели приборов.





