Подзаголовок сайта
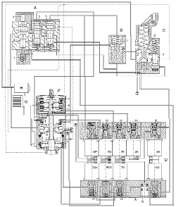
Различия систем гидроуправления ГМП DIWA 2-й и 3-й конструктивных серий (см. Рисунок 267 и Рисунок 268).
Рисунок 267 — Схема гидроуправления ГМП DIWA.2
Рисунок 268 — Схема гидроуправления ГМП DIWA.3E
Принципиальным отличием гидросистем управления третьего поколения является использование пропорциональных клапанов бесступенчатого регулирования вместо входных-выходных магнитных клапанов в ГМП второго поколения, что позволило:
- улучшить качества переключений, контролировать время синхронизации сцеплений и тормозных механизмов во время переключений;
- адаптировать автоматическое управление процессов переключения на изменяющиеся условия работы. Момент нагрузки, число оборотов двигателя, рабочее давление ГМП редуцируются в соответствии с временем переключений. Короткое время переключений фрикционных муфт не дает резкого удара, а обеспечивает скользящее сцепление дисков, что повышает износоустойчивость их покрытий;
- больший комфорт при переключении тормоза гидротрансформатора;
- аннулировать аккумуляторы;
- улучшить возможность диагностики.
Все измененные элементы нового поколения ГМП сохраняют функции тех же элементов второго поколения, увеличивается объем функций и вводится модернизация, поэтому узлы и детали 2 и 3 поколения не взаимозаменяемы.
Далее по тексту приводятся функции основных узлов системы гидроуправления и их отличия для ГМП DIWA.3E.
Шестеренный насос (F) приводится в действие от вращающегося с частотой вращения двигателя корпуса входного дифференциала. Забирая масло из поддона через фильтр грубой очистки, он подает его под давлением для охлаждения в теплообменник G и от фильтра тонкой очистки Н к клапану рабочего давления С. Оттуда масло подается дальше к магнитным клапанам блока управления D, к гидротрансформатору, для смазки подшипников и шестерен ГМП Е по штриховым линиям на схеме. В ГМП DIWA.3E применяется усиленный шестеренный насос, состоящий из двух нагнетающих камер и оборудованный индуктивным датчиком для определения оборотов на входе ГМП.
Клапан рабочего давления (С) поддерживает постоянное давление масла в гидросистеме управления независимо от числа оборотов шестеренного насоса. При минимальном давлении открывается доступ масла в гидротрансформатор. При превышении заданного уровня давления золотник клапана, преодолевая усилие пружины, смещается относительно корпуса, увеличивая тем самым окно для слива масла в полость низкого давления. На ГМП DIWA.3Е в отличие от DIWA.2 клапан рабочего давления конструктивно изменен. Аннулированы функции аккумулятора, так как не требуется централизованное снижение давления при переключениях, а для регулирования подачи масла в гидротрансформатор введен отдельный клапан В (см. Рисунок 268).
Клапан регулирования подачи масла (В) используется для сокращения поступления масла к гидротрансформатору через отверстие в дросселе.
Блок управления (D) состоит из двух блоков магнитных клапанов и обеспечивает своевременный подвод масла к соответствующим фрикционным сцеплениям и клапану гидротрансформатора по командам, выдаваемым блоком электронным. Магнитные клапаны DIWA.2 и DIWA.3E имеют принципиальное отличие в управлении подачи масла.
Все магнитные клапаны DIWA.2 и магнитные клапаны DIWA.3E (WP, WR, RBG) подводят масло под рабочим давлением, а магнитные клапаны DIWA.3E (ЕК, DK, SK, РВ, ТВ, RBK) регулируют давление во время закрытия фрикционных сцеплений при переключениях и включении тормоза.
Применение двух катушек (рабочей и измерительной) в регулируемых клапанах ГМП DIWA.3E позволяет отрегулировать любое произвольно взятое значение давления ниже рабочего. Заданные значения давления определяются электронным блоком в зависимости от нагрузки двигателя, от необходимого переключения, а также от числа оборотов на входе и выходе ГМП. Расширены действия переключающего клапана 10.
Переключающий клапан (10) направляет масло с более высоким давлением (рабочим давлением или давлением гидротрансформатора) к магнитным клапанам тормоза турбины ТВ, а в DIWA.3E и к клапанам тормоза заднего хода RB.
Клапан гидротрансформатора (А) служит для регулирования давления в гидротрансформаторе при:
- использовании трех ступеней торможения гидротрансформатором;
- движении задним ходом.
Работа клапана ГТ заключается в постоянной готовности к проведению торможения. При включении магнитного клапана РВ блока управления срабатывает сцепление насосного колеса и приходят в движение золотники (2) и (5), которые обеспечивают давление в полости ГТ, необходимое для торможения на первой ступени. Дополнительно включается клапан WP.
На ГМП DIWA.2 в режиме второй ступени торможения магнитный клапан WP (13) пульсирует с определенной частотой, благодаря чему в гидротрансформаторе устанавливается давление, необходимое для второй ступени торможения, а для поднятия давления, необходимого для 3-й ступени торможения, включаются в работу золотники, уменьшающие слив масла из ГТ.
На ГМП DIWA.3E, для второй ступени торможения, давление в гидротрансформаторе регулируется тактовым включением и выключением магнитного клапана WR через золотник (2). На третьей ступени торможения золотник (2) двигается в полном диапазоне его хода, благодаря чему устанавливается максимально допустимое давление гидротрансформатора в зоне торможения.
При движении задним ходом на ГМП DIWA.2 давление в ГТ определяется скоростью движения и положением регулятора силового, а в ГМП DIWA.3E также числом оборотов на входе ГМП. Давление в ГТ регулируется золотником (6) при включении магнитного клапана RBK блока управления.
Аккумуляторы ЕК (J), РВ (К) и ТВ (18) ГМП DIWA.2 (см. Рисунок 267) накопленным в них давлением масла поддерживают включенными соответствующие сцепления в момент пульсации давления при переключениях. Поскольку в ГМП DIWA.3E давление всех фрикционных сцеплений регулируется индивидуально, необходимость аккумулирования масла для поддержания постоянного давления отпала.
Обратный клапан (L) применяется только в ГМП DIWA.2 (см. Рисунок 267) и служит для быстрого снижения давления масла на поршне механизма заднего хода при выключении режима гидрозамедлителя. Клапан расположен в крышке выходной части ГМП.
Фильтр тонкой очистки масла (Н) выполнен в отдельном корпусе, содержит сменный фильтрующий элемент с предохранительным клапаном.
Теплообменник. Максимальное тепло, образующееся при движении на 1-й передаче и главным образом при работе в режиме гидрозамедлителя, отводится через имеющийся масляно-водяной теплообменник в систему охлаждения двигателя.







