Каталог запчастей НЕФАЗ >
Группа 24. Мост задний с установкой сдвоенных колес, главная передача, МКД > Задний мост с колесами и шинами в сборе
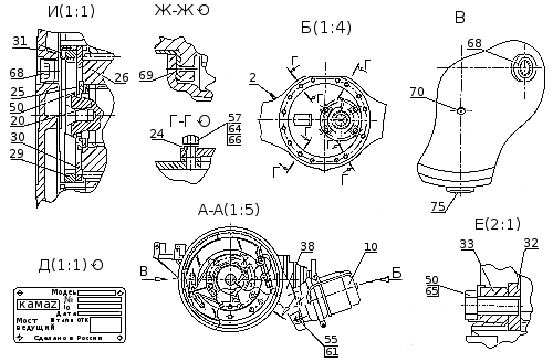
| Поз. | Наименование | Код |
| 1 | Картер заднего моста | 5297-2401007 (см. 6520-2401007) |
| 2 | Клапан со штуцером | 5320-2401114 |
| 3 | Передача главная заднего моста | 5297-2402011 |
| 4 | Водило с кожухом и сателлитами | 6520-2405024 |
| 5 | Шестерня ведомая | 6520-2405061 |
| 6 | Ступица заднего колеса с манжетами | 5297-3104009 |
| 7 | Тормоз задний правый | 5297-3502010-12 (см. 5297-3502010) |
| 8 | Тормоз задний левый | 5297-3502011-12 (см. 5297-3502010) |
| 9 | Датчик скорости с кронштейном | 6520-3541110 |
| 10 | Тормозная камера типа 30/24 | 6520-3519500 |
| 11 | Колесо 8,25x22,5 (Покупное, ЧОЗ) | 375.3101012-01 |
| | Колесо 22,5-8,25 (Покупное, ЧКПЗ) | или 375.3101012-10 |
| 12 | Удлинитель вентиля (Покупное, ДААЗ) | 11-3116010-02 |
| 13 | Кронштейн | 6460-3101049 |
| 14 | Шина11/7ОR22,5 мод. Д-1М,И-305 (Покупное, ЯШЗ) | - |
| 14 | Шина 275/70R22,5 мод. КАМА-2001 (Покупное, НкШЗ) | - |
| 15 | Вентиль АБ-95 (Покупное, ДААЗ) | 35-3114010 |
| 16 | Кольцо проставочное | 5297-3101095 |
| 17 | Гайка с шайбой | 5425-3101040 |
| 18 | Болт колесный задний | 53205-3104071-10 |
| 20 | Кольцо стопорное | 14.1701067 |
| 21 | Прокладка картера | 6520-2402034 |
| 22 | Полуось правая | 6520-2403069 (см. 6520-2403070) |
| 23 | Полуось левая | 6520-2403070 |
| 24 | Втулка разжимная | 5320-2403072 |
| 25 | Шайба | 6520-2403082 |
| 26 | Шестерня ведущая колесной передачи | 6520-2405028 |
| 27 | Крышка водила | 6520-2405067 |
| 28 | Прокладка крышки водила | 6520-2405081 |
| 29 | Гайка регулировочная | 6520-2405086 |
| 30 | Шайба замковая | 6520-2405088 |
| 31 | Шайба стопорная | 6520-2405092 |
| 32 | Шайба замковая | 4310-3103079 |
| 33 | Гайка подшипников | 6520-3104077 |
| 35 | Подшипник роликовый конический однорядный | 7520A |
| 36 | Барабан тормозной | 5262-3501070 (см. 6520-3501070) |
| 37 | Кронштейн тормозной камеры правый | 5262-3502130 (см. 5262-3502131) |
| 38 | Кронштейн тормозной камеры левый | 5262-3502131 |
| 39 | Кронштейн | 5297-3502156 (см. 5297-3502157) |
| 40 | Кронштейн | 5297-3502157 |
| 41 | Ротор датчика | 6520-3541121 |
| 42 | Табличка заводская ведущего моста | 6520-3904030 |
| 47 | Подшипник роликовый конический однорядный | 7723 КМ |
| 48 | Болт M6-6gx12 | 1/09020/21 |
| 49 | Болт M8-6gx16 | 1/60432/21 |
| 50 | Болт M8-6gx20 | 1/60434/21 |
| 51 | Болт M10x1,25-6gx25 | 1/59707/21 |
| 52 | Болт M12x1,25-6gx25 | 1/55403/21 |
| 53 | Болт M14x1,5-6gx45 | 1/13943/31 |
| 54 | Болт M10x1,25-6gx50 | 1/33061/10 |
| 55 | Гайка М8-6Н | 1/61008/11 |
| 56 | Гайка М14х1,5-6Н | 1/21640/11 |
| 57 | Гайка М16х1,5-6Н | 1/21641/21 |
| 58 | Кольцо стопорное 52 | 1/10605/76 |
| 59 | Шайба пружинная 6 | 1/05164/77 |
| 60 | Шайба пружинная 8 | 1/05166/77 |
| 61 | Шайба пружинная 10 | 1/05168/77 |
| 62 | Шайба пружинная 12 | 1/05170/77 |
| 63 | Шайба пружинная 14 | 1/05171/77 |
| 64 | Шайба пружинная 16 | 1/05172/77 |
| 65 | Шайба замковая 8 | 870850 |
| 66 | Шпилька M16x1,5-6gx22x40 | 1/18005/31 |
| 67 | Скоба | 1/04181/00 |
| 68 | Пробка 22x1,5 коническая | 1/43253/01 |
| 69 | Болт M10x1,25-6gx25 | 853352 |
| 70 | "Пробка КГ 1/8""" | 864341 |
| 75 | Пробка магнитная | 2101-2401046 |

Вы можете заказать детали из каталога запчастейДля этого Вам необходимо связаться с нами по телефону (8552) 53-70-63
Так же Вы можете послать нам свою заявку по E-mail: mail@trakbus.ru