Каталог запчастей НЕФАЗ > Группа 10. Двигатели > Установка системы впуска

Вы можете заказать детали из каталога запчастей
Для этого Вам необходимо связаться с нами по телефону (8552) 53-70-63
Так же Вы можете послать нам свою заявку по E-mail: mail@trakbus.ru
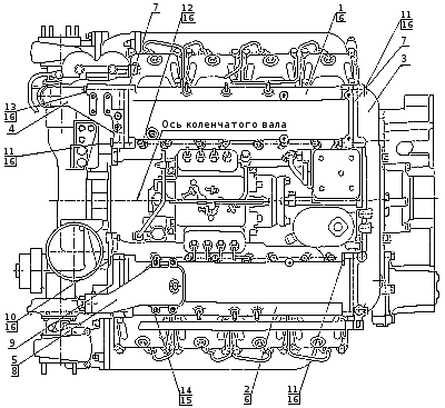
| Поз. | Наименование | Код |
| - | Установка системы впуска | 740.11-1115000 |
| 1 | Коллектор впускной правый | 740.11-1115012 |
| 2 | Коллектор впускной левый | 740.11-1115014 |
| 3 | Патрубок объединительный | 740.11-1115045 (см.7406.1115045-40) |
| 4 | Патрубок впускной правый | 740.11-1115070 |
| 5 | Патрубок впускной левый | 74.11-1115071 |
| 6 | Прокладка впускного коллектора | 740.1115026-01 |
| 7 | Прокладка патрубка объединительного | 7406.1115050-10 |
| 8 | Прокладка патрубка впускного левого | 740.11-1115080 |
| 9 | Заглушка коллектора впускного левого | 740.11-1115082 |
| 10 | Болт M10x1,25-6gx35 | 1/59709/31 |
| 11 | Болт M10x1,25-6gx50 | 1/13438/21 |
| 12 | Болт М10х1,25gх100 | 1/59718/21 |
| 13 | Болт M10x1,25-6gx120 | 1/59722/21 |
| 14 | Гайка М8-6Н | 1/61008/11 |
| 15 | Шайба волнистая 8 | 1/26013/73 |

Вы можете заказать детали из каталога запчастей
Для этого Вам необходимо связаться с нами по телефону (8552) 53-70-63
Так же Вы можете послать нам свою заявку по E-mail: mail@trakbus.ru





