Каталог запчастей НЕФАЗ > Группа 10. Двигатели > Корпус в сборе топливного насоса

Вы можете заказать детали из каталога запчастей
Для этого Вам необходимо связаться с нами по телефону (8552) 53-70-63
Так же Вы можете послать нам свою заявку по E-mail: mail@trakbus.ru
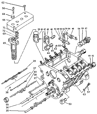
| Поз. | Наименование | Код |
| 35 | Рейка левая в сборе | 33.1111027-01 |
| 36 | Рейка левая | 33.1111039 |
| 37 | Фиксатор рейки | 33.1111044-10 |
| 38 | Ось рейки | 33.1111057-10 |
| 39 | Рейка правая в сборе | 33.1111031-01 |
| 40 | Рейка правая | 33.1111040 |
| 41 | Толкатель плунжера | 337.1111110 |
| 42 | Толкатель | 337.1111114 |
| 43 | Сухарь толкателя | 33.1111117-01 |
| 44 | Ролик | 337.1111118 |
| 45 | Втулка | 337.1111122-01 |
| 46 | Ось | 337.1111124 |
| 47 | Штифт | 320.88620 |
| 48 | Рычаг реек в сборе | 33.1111400 |
| 49 | Рычаг реек | 33.1111402 |
| 50 | Втулка | 33.1111404 |
| 51 | Втулка внутренняя | 33.1111406 |
| 52 | Палец рычага реек | 33.1111408 |
| 53 | Палец | 33.1111028 |
| 54 | Втулка рейки | 33.1111042 |
| 55 | Кожух защитный | 33.1111098 |
| 56 | Винт крепления кожуха | 33.1111126 |
| 57 | Винт стопорный | 33.1111418 |
| 58 | Пята толкателя | 33.1111575 |
| 59 | Кольцо уплотнительное | 33.1112342 |
| 60 | Шайба пружинная ?18 | 320-88753 |
| 61 | Гайка кольцевая | 320-88340 |
| 62 | Винт M6-6gx32 | 870355-П29 |
| 63 | Прокладка 8x12x1 | 870455-П |
| 64 | Шайба ?7 | 870615-П2 |
| 65 | Секция топливного насоса | 337.1111039-01 |
| 66 | Пробка M14x1,5-6q | 870885-П29 (Деталь транспортная) |
| 67 | Пробка M27x1,5-6q | 870890-П29 |
| 68 | Заглушка штуцера | 870941-П (Деталь транспортная) |
| 69 | Шайба плоская ?10x18 | 1/26386/71 |
| 70 | Кольцо стопорное | 1/10877/76 |
| 71 | Гайка М10х1,25-6Н | 1/21647/21 |
| 72 | Шайба пружинная ?10 | 1/05168/77 |

Вы можете заказать детали из каталога запчастей
Для этого Вам необходимо связаться с нами по телефону (8552) 53-70-63
Так же Вы можете послать нам свою заявку по E-mail: mail@trakbus.ru





