Каталог запчастей НЕФАЗ > Группа 10. Двигатели > Установка масляного картера, маслоналивного патрубка, указателя уровня

Вы можете заказать детали из каталога запчастей
Для этого Вам необходимо связаться с нами по телефону (8552) 53-70-63
Так же Вы можете послать нам свою заявку по E-mail: mail@trakbus.ru
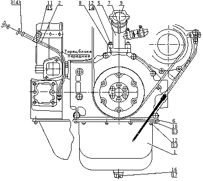
| Поз. | Наименование | Код |
| - | Установка масляного картера, маслоналивного патрубка, указателя уровня | 740.11-1009001 |
| 1 | Картер масляный | 740.1009010-40 |
| 2 | Трубка указателя уровня | 740.11-1009048 |
| 3 | Указатель уровня | 740.11-1009050-01 или 7406.1009050 |
| 4 | Указатель уровня | 741.11-1009050-01 или 7406.1009050 |
| 5 | Патрубок маслоналивной | 740.11-1009135-10 |
| 6 | Прокладка поддона | 740.1009040-10 |
| 7 | Поводок | 7406.1009144 |
| 8 | Прокладка маслоналивного патрубка | 740.1009145-10 |
| 9 | Крышка маслоналивного патрубка | 7406.1009158 |
| 10 | Болт M8-6gx20 | 1/60434/21 |
| 11 | Болт M10x1,25-6gx20 | 1/59705/21 |
| 12 | Гайка М8-6Н | 1/61008/11 |
| 13 | Шайба пружинная 8 | 1/05166/73 |
| 14 | Шайба волнистая 8 | 1/26013/73 |
| 15 | Шайба волнистая 10 | 1/26014/73 |
| 16 | Пробка M30x1,5-6g | 864312 |
| 17 | Прокладка уплотнительная ?30 | 870632 |

Вы можете заказать детали из каталога запчастей
Для этого Вам необходимо связаться с нами по телефону (8552) 53-70-63
Так же Вы можете послать нам свою заявку по E-mail: mail@trakbus.ru





